Web Analytics Made Easy - Statcounter
Jeep TJ Sound Bar Wiring: Upgrade Your Audio System!

Jeep TJ Sound Bar Wiring: Upgrade Your Audio System!

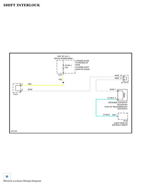
Jeep TJ Sound Bar Wiring: Upgrade Your Audio System! Jeep tj sound bar wiring diagram